3D printed Smiski House

Hello!

My name is Koki and I'm an intern working at the Shapiro Library Design Lab.

Have you heard of Smiskis? They are small green glow-in-the-dark adorable collectibles that have been popular across the globe! Smiskis are exciting because they come in different designs and poses and, guess what, you don't know which one you'll get until you open up the packages!

For those of you collecting Smiskis... have you ever wondered how you can display them in your room? Let me introduce The Smiski House!

A green 3d printed cut-out of a 3-story house. There are three layers of stairs and platforms to position smiskis - small green figurines with round heads.

The printed house with all the Smiskis on it!

This 250mm x 200mm x 50mm Smiski house was 3D Printed at the Shapiro Design Lab Workshop! Although it may seem like a pretty large item to print, we have printers that can accommodate sizes up to 250mm x 220mm x 270mm in size! There are many cool projects you can work on within this size limit, and the Smiski house is just one of them!

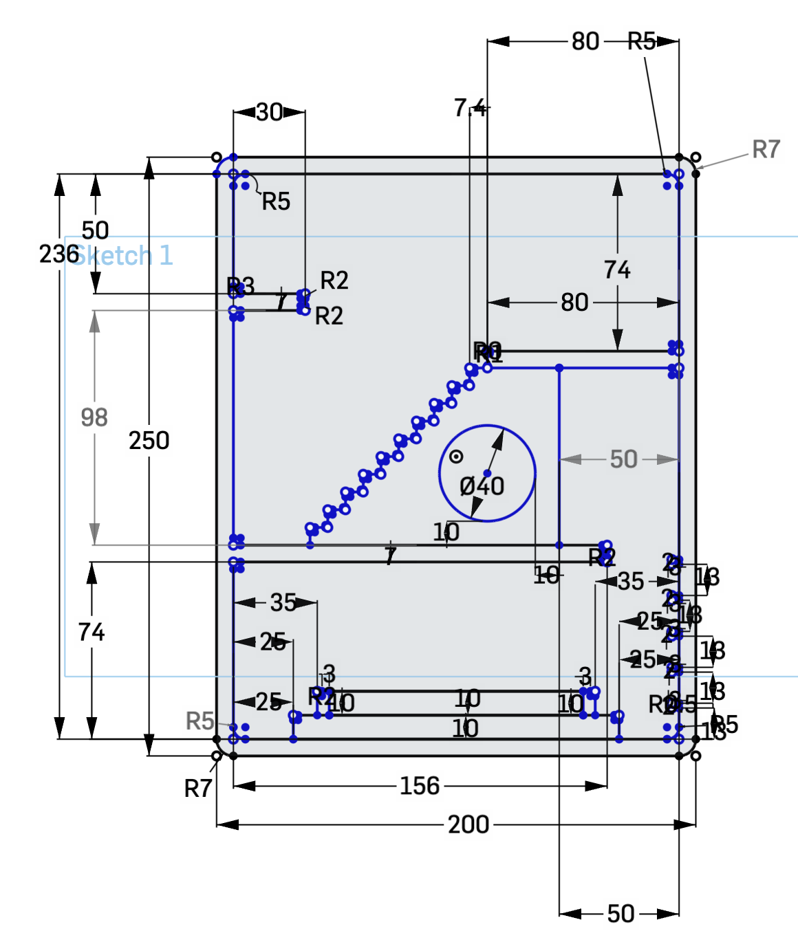
The design project was pretty simple! I used OnShape to design the 3D Model! OnShape is a fairly beginner-friendly CAD software where you start with a 2D Sketch and then add extrusions to create the model. The sketch started like this:

A design sketch of a rectangular 3 story shelf unit - its laid out like a house, with stairs and platforms.

CAD sketch for the house.

And then I extruded so that it looks like this:


 

An extruded AutoCAD image of the 3-story shelf unit. It's a 3d image of the CAD sketch of the house

3D autoCAD image of the house.

At the Shapiro Design Lab Workshop, all you need is a 3D Model that you've created (or found online) and we can help you guide through the printing process! Also, if you are a complete beginner in using CAD softwares, we can totally guide you through how to use them too!

Feel free to reach out or even come visit us when we're open!

Here are some more photos of the Smiski House!

Thank you!

Close-up image of the second layer of the 3D printed green house with smiski figurines positioned on it. There are three figurines holding guitars sitting on the second floor, and a sleepy figure with a pillow standing behind them.

A close-up view of the second floor, with the Smiskis lined up.